Bose Car Speaker Wiring Diagram / Corvette Wiring Diagram For Bose Car Speakers Wiring Diagram Phone Note A Phone Note A Agriturismoduemadonne It - Page 1/1 printer engine v.:2.30 wiring uiagram~ i unc'iion enginetype:. The diagrams below are right from the fsm. Basically wires come in one side of the harness and leave the harness amplified on the other. I have two bose model 161 speakers. Bose wiring diagrams of bose audio system, mounted into some version of alfa romeo 147. Page 1/1 printer engine v.:2.30 wiring uiagram~ i unc'iion enginetype:

The amplifier power wire from the relay is an orange wire in position 4 on the relay anyplace i can get a wiring diagram? Bose wiring diagrams of bose audio system, mounted into some version of alfa romeo 147. If the remaining wires are in pairs, where one is a solid color and the other is the same color with a line. Each has two wires per speaker. Are the wires you tapped into the speaker level wires or are they the line level input wires for the amp?

Bose Car Amplifier Wiring Diagram Bookingritzcarlton Info Sony Car Stereo Car Stereo Systems Car Stereo
Bose Car Amplifier Wiring Diagram Bookingritzcarlton Info Sony Car Stereo Car Stereo Systems Car Stereo from i.pinimg.com
You will only be concerned with the chart on the left side. The wire coming from the hu have a sleeve around them (in pic) and ones leaving the amp do not. Orange/black accessory switched 12v+ wire: The diagrams below are right from the fsm. If the remaining wires are in pairs, where one is a solid color and the other is the same color with a line. Popular car bose speaker of good quality and at affordable prices you can buy on aliexpress. Chassis car radio illumination wire: I made a pin out diagram of the main audio connector on the bose systems.

The amplifier power wire from the relay is an orange wire in position 4 on the relay anyplace i can get a wiring diagram?

Cadillac bose speaker wiring wiring diagram. Can someone confirm if this wiring diagram is correct? Alibaba.com offers 912 bose car audio products. I have the bose system and installed an audison bit10, focal 5 ch amp, focal component speakers back and front, and a morel 10 inch sub in a. Orange/black accessory switched 12v+ wire: There is 3 wire harnesses connected to it, does anyone have the i'm just looking for the speaker outputs more than anything. The amplifier power wire from the relay is an orange wire in position 4 on the relay anyplace i can get a wiring diagram? Wiring diagram for bose 28060. Popular car bose speaker of good quality and at affordable prices you can buy on aliexpress. Bose 901 l ll power amplifier service manual, bose 1801 power amplifier service manual, bose 4401 preamplifier service manual. I am looking for the wiring diagram for the bose amp under the passenger seat. One positive and one negative. Purple car radio ground wire:

Orange/black accessory switched 12v+ wire: Could somebody provide a 2005 bose amp wiring diagram? Av control unit reference value values on the diagnosis tool terminal layout physical values dtc index bose speaker amp reference value terminal layout physical. A wide variety of bose car audio options are available to you, such as special feature, player type. I have two bose model 161 speakers.

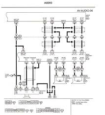
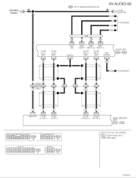
2004 Infiniti G35 Bose Wiring Diagram Wiring Diagram Fund Data B Fund Data B Disnar It
2004 Infiniti G35 Bose Wiring Diagram Wiring Diagram Fund Data B Fund Data B Disnar It from www.expertswrite.net
Figuring out the speaker wires can be a little more complicated. Associated wiring diagrams for the cruise control system of a 1990 honda civic. Yellow car radio accessory switched 12v+ wire: Anyway, my buddy (his car) found a wiring diagram from a my00 clk and the colors on the harness pretty much matched up. Infiniti qx56 car radio wiring diagram car radio battery constant 12v+ wire: You will only be concerned with the chart on the left side. Car crossover wiring diagram and simple ways to install tweeters: Orange/black accessory switched 12v+ wire:

Factory car audio stereo wire harness codes and harnesses click and go acura bmw buick cadillac chevrolet chrysler corvette daewoo dodge ford gmc honda infiniti.

1993 lincoln town car wiper/washer diagram. You will only be concerned with the chart on the left side. Factory car audio stereo wire harness codes and harnesses click and go acura bmw buick cadillac chevrolet chrysler corvette daewoo dodge ford gmc honda infiniti. If the remaining wires are in pairs, where one is a solid color and the other is the same color with a line. Bose 901 l ll power amplifier service manual, bose 1801 power amplifier service manual, bose 4401 preamplifier service manual. Page 1/1 printer engine v.:2.30 wiring uiagram~ i unc'iion enginetype: Is anybody able to tell me a decription of the two connectors and wiring ? The diagrams below are right from the fsm. Blue/black left front speaker positive wire (+): I have the bose system and installed an audison bit10, focal 5 ch amp, focal component speakers back and front, and a morel 10 inch sub in a. Bose car amp wiring wiring diagram. The amplifier power wire from the relay is an orange wire in position 4 on the relay anyplace i can get a wiring diagram? I made a pin out diagram of the main audio connector on the bose systems.

Car audio connector genuine pin assignment. Here is what i put together from the wire diagrams i had. Page 1/1 printer engine v.:2.30 wiring uiagram~ i unc'iion enginetype: Left front speaker (+) positive: If the remaining wires are in pairs, where one is a solid color and the other is the same color with a line.

Diagram Basic Car Speaker Wiring Diagrams Full Version Hd Quality Wiring Diagrams Solvingvenndiagram Robertaconi It
Diagram Basic Car Speaker Wiring Diagrams Full Version Hd Quality Wiring Diagrams Solvingvenndiagram Robertaconi It from www.tehnomagazin.com
Purple car radio ground wire: I found that if i unplug the harness closest to the front of the car i lose all audio, and since. It's showing blue/yellow & brown/green. Factory car audio stereo wire harness codes and harnesses click and go acura bmw buick cadillac chevrolet chrysler corvette daewoo dodge ford gmc honda infiniti. Black @ radio antenna plug. These are 3025 x 2059 gifs, so i'll just link to them here. Associated wiring diagrams for the cruise control system of a 1990 honda civic. Yellow car radio accessory switched 12v+ wire:

Bose 901 l ll power amplifier service manual, bose 1801 power amplifier service manual, bose 4401 preamplifier service manual.

Black @ radio antenna plug. Factory car audio stereo wire harness codes and harnesses click and go acura bmw buick cadillac chevrolet chrysler corvette daewoo dodge ford gmc honda infiniti. Chevrolet suburban questions radio buzzing noise cargurus. Windshield wiper and washer wiring diagram.(wiperwasher.pdf). Blue @ radio car stereo power antenna: Car radio constant 12v+ wire: Bose 151 se environmental speakers, elegant outdoor speakers. Audio wiring bypass as well 08 nissan pathfinder radio wiring. About 0% of these are home theatre system, 2% are speaker, and 3% are computer cables & connectors. The amplifier power wire from the relay is an orange wire in position 4 on the relay anyplace i can get a wiring diagram? I found that if i unplug the harness closest to the front of the car i lose all audio, and since. Popular car bose speaker of good quality and at affordable prices you can buy on aliexpress. It's showing blue/yellow & brown/green.

By